AZ-BU ПЛЮС Автомат светочувствительный EA01.001.016

89.04 BYN / шт.
с учетом НДС 20%
Оформить
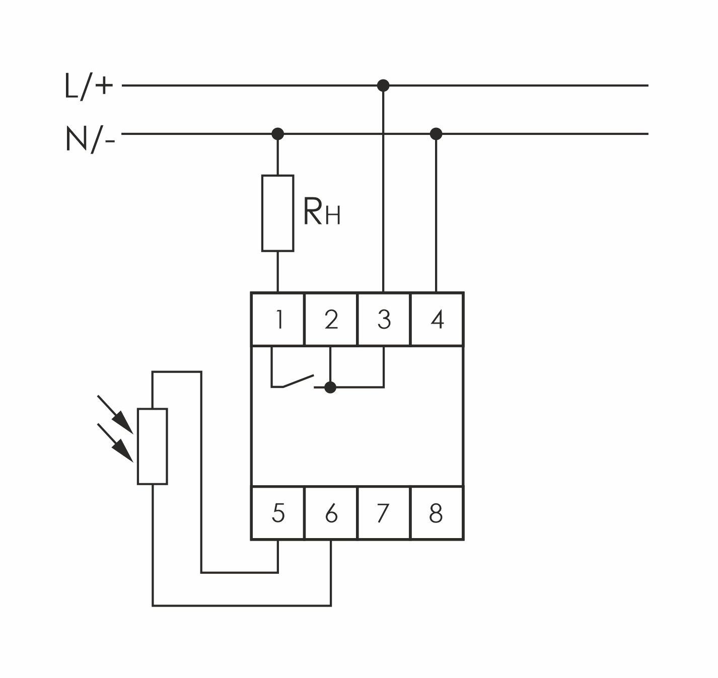
Монтаж на DIN-рейку. Для автоматического включения освещения в сумерки и выключения на рассвете. Принцип работы основан на контроле уровня освещенности выносным фотодатчиком. При снижении уровня освещённости ниже установленного замыкаются контакты реле и включается освещение. При увеличении уровня освещённости контакты размыкаются, освещение выключается. Порог срабатывания реле устанавливается потенциометром. Для защиты от ложных срабатываний при случайном освещении или затемнении фотодатчика предусмотрена задержка времени выключения и включения.Применяется для управления освещением улиц, витрин магазинов, реклам, автостоянок, строек и т.п., а также использования в устройствах промышленной автоматики. Особенности: выносной фотодатчик; напряжение питания - 12...264 В AC/DC; максимальный ток нагрузки - 16 А; контакт - 1NO.

Характеристики

Производитель
СООО «Евроавтоматика ФиФ» Республика Беларусь, 231300, г. Лида, ул. Минская, 18А
Бренд
Евроавтоматика F&F
Вес
1 штука весит 0,083 килограмма.
Страна производства
БЕЛАРУСЬ

    Добавьте свой отзыв

    Меню сайта