BIS-402 Реле импульсное EA01.005.002

46.44 BYN / шт.
с учетом НДС 20%
Оформить
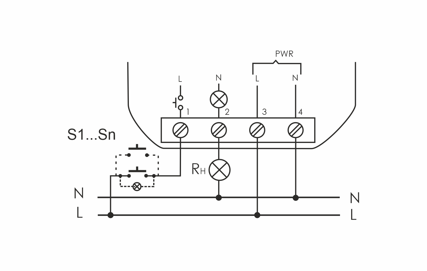
В монтажную коробку. Предназначено для включения/выключения освещения, электроустановок и т.п. из нескольких мест выключателями кнопочного типа, параллельно соединенными между собой. Принцип работы Включение, либо выключение нагрузки осуществляется подачей электрического импульса на вход управления реле замыканием любого из выключателей кнопочного типа, параллельно соединенных между собой. Особенности: память контактов; возможно подключение выключателей кнопочного типа с подсветкой; максимальный ток нагрузки 8 А.

Характеристики

Производитель
СООО «Евроавтоматика ФиФ» Республика Беларусь, 231300, г. Лида, ул. Минская, 18А
Бренд
Евроавтоматика F&F
Вес
1 штука весит 0,038 килограмма.
Страна производства
БЕЛАРУСЬ

    Добавьте свой отзыв

    Меню сайта