BZ-1 Блок защиты EA09.001.001

44.58 BYN / шт.
с учетом НДС 20%
Оформить
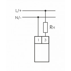
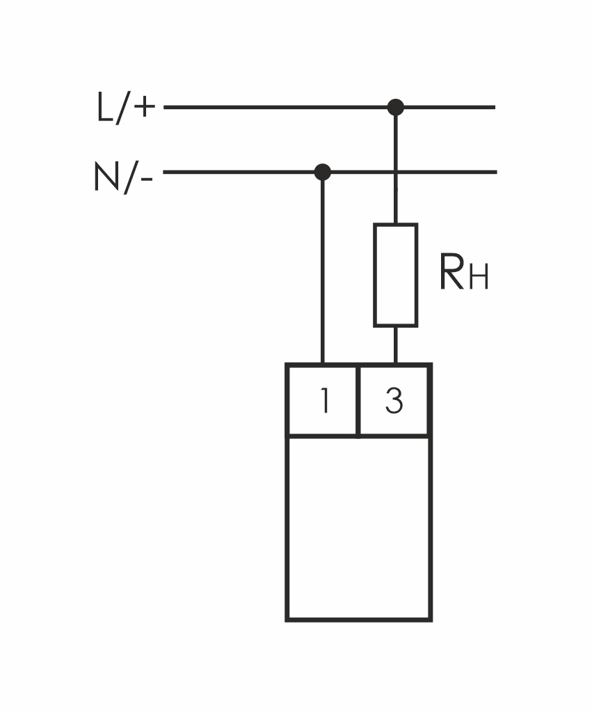
Монтаж на DIN-рейку. Предназначен для защиты электрических потребителей от перегрузки по току. Принцип работы: перегорание предохранителя сигнализируется светящимся светодиодом. Особенности: 1 ячейка для предохранителя; напряжение питания - 230 В AC/DC; ток предохранителя <6,3 А.

Характеристики

Производитель
СООО «Евроавтоматика ФиФ» Республика Беларусь, 231300, г. Лида, ул. Минская, 18А
Бренд
Евроавтоматика F&F
Вес
1 штука весит 0,05 килограмма.
Страна производства
БЕЛАРУСЬ

    Добавьте свой отзыв

    Меню сайта