CKF-317-1 Реле контроля фаз EA04.002.008

78.18 BYN / шт.
с учетом НДС 20%
Оформить
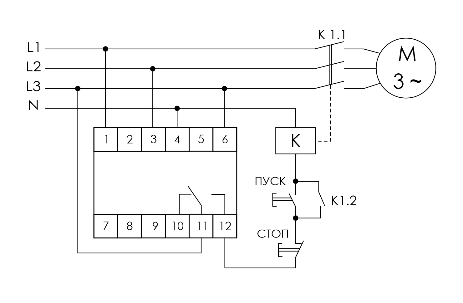
Монтаж на DIN-рейку. Предназначено для контроля состояния трехфазной сети питания и защиты электрооборудования от аварийных режимов работы.Реле контролирует наличие, «слипание» и порядок чередования фаз, асимметрию, верхний и нижний допустимые пределы напряжение, обрыв нулевого провода. Принцип работы: После подачи питания, если параметры сети в допустимых пределах, контакты 11-12 замыкаются (светится зеленый светодиод на лицевой панели). Нагрузка может быть подключена к сети питания. При выходе параметров сети за допустимые пределы включается индикация аварии (светится красный светодиод на лицевой панели) и, по окончании задержки срабатывания, реле выключается. При возвращении параметров сети в нормальное состояние, индикация аварии выключается, реле включается по окончании времени повторного включения. При пропадании фазы (фаз) или повышении напряжения более чем 300 В реле выключается без задержки. Питание реле осуществляется от контролируемой сети. Особенности: контроль наличия фаз; контроль асимме

Характеристики

Производитель
СООО «Евроавтоматика ФиФ» Республика Беларусь, 231300, г. Лида, ул. Минская, 18А
Бренд
Евроавтоматика F&F
Вес
1 штука весит 0,073 килограмма.
Страна производства
БЕЛАРУСЬ

    Добавьте свой отзыв

    Меню сайта