CKF-BR Реле контроля фаз EA04.002.003

6 шт. на складе в Минске
В наличии
71.82 BYN / шт.
с учетом НДС 20%
Оформить

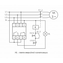
Реле контроля фаз CKF-BR  EA04.002.003 — применяется для защиты электродвигателей и электроустановок, питаемых от трехфазной сети.

Отличительные особенности:

Асимметрия 40-80 В, задержка отключения 0,5-15 c, контакт 1NO, 1NC. Контакты реле позволяют выдавать информацию об аварийном отключении.

Назначение:

Реле контроля фаз предназначено для защиты электродвигателей и электроустановок, подключенных к  трёхфазной сети, в случаях:

  1. Отсутствия хотя бы одной из фаз.
  2. Асимметрии напряжения.
  3. Обрыва нулевого провода.
  4. Нарушения чередования фаз.

Принцип работы:

Если напряжение в пределах нормы, контакты исполнительного реле 5,6 замкнуты и на катушку контактора управления электродвигателем подается напряжение, управляющее его включением. В случае одной из вышеперечисленных аварийных ситуаций контакты реле размыкаются и контактор отключается. Выключение во 2  случае происходит с задержкой 0,5-15 секунд. В случаях 1,3,4 изделие выключается с задержкой 0,1 секунд. Включение  происходит  автоматически после восстановления сетевого  напряжения питания.

Технические характеристики:

Артикул EA04.002.003
Код ETIM EC001441
Напряжение питания, В/Гц 3х230+N / 50
Максимальный коммутируемый ток, А 2х8 АС-1 / 250 В
Максимальная мощность нагрузки См. табл.1 в РЭ
Контакт 1NO, 1NC
Индикация 2 светодиода
Асимметрия напряжения, В 40-80
Гистерезис, В 5
Задержка отключения при обрыве фазы, с 0,1
Задержка отключения по асимметрии, регулируемая, с 0,5…15
Потребляемая мощность, Вт 1,6
Диапазон рабочих температур, °С -25…+50
Степень защиты IP20
Коммутационная износостойкость, циклов >100000
Степень загрязнения среды 2
Категория перенапряжения III
Габариты (ШхВхГ), мм 35х90х65
Подключение винтовые зажимы 2,5 мм2
Момент затяжки винтового соединения, Нм 0,5
Тип корпуса 2S
Монтаж на DIN-рейку

Характеристики

Производитель
СООО «Евроавтоматика ФиФ» Республика Беларусь, 231300, г. Лида, ул. Минская, 18А
Бренд
Евроавтоматика F&F
Вес
1 штука весит 0,104 килограмма.
Страна производства
БЕЛАРУСЬ

    Добавьте свой отзыв

    Меню сайта