CRT-08 Регулятор температуры EA07.001.021

224.64 BYN / шт.
с учетом НДС 20%
Оформить
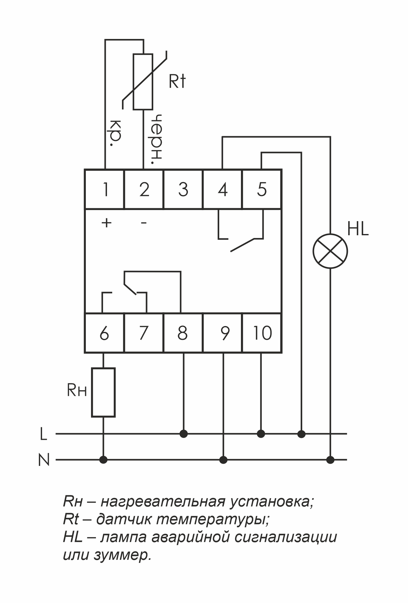
Монтаж на щит. Для регулирования температуры путем включения и выключения приемника, подключенного к выходу реле-регулятора. Особенности: ПИД-регулятор; автоматическая настойка ПИД-регулятора; реле аварийной сигнализации; температурная коррекция погрешности измерения датчика температуры; защита настроек от несанкционированного доступа; отображение текущей и заданной температур на табло; напряжение питания 100..240 В AC; диапазон регулируемых температур 0...+400°С; контакт - 1NO/NC+1NO (3+1 А).

Характеристики

Производитель
СООО «Евроавтоматика ФиФ» Республика Беларусь, 231300, г. Лида, ул. Минская, 18А
Бренд
Евроавтоматика F&F
Вес
1 штука весит 0,125 килограмма.
Страна производства
БЕЛАРУСЬ

    Добавьте свой отзыв

    Меню сайта