MK-5-2 Модуль защиты контактов EA06.002.002

42.36 BYN / шт.
с учетом НДС 20%
Оформить
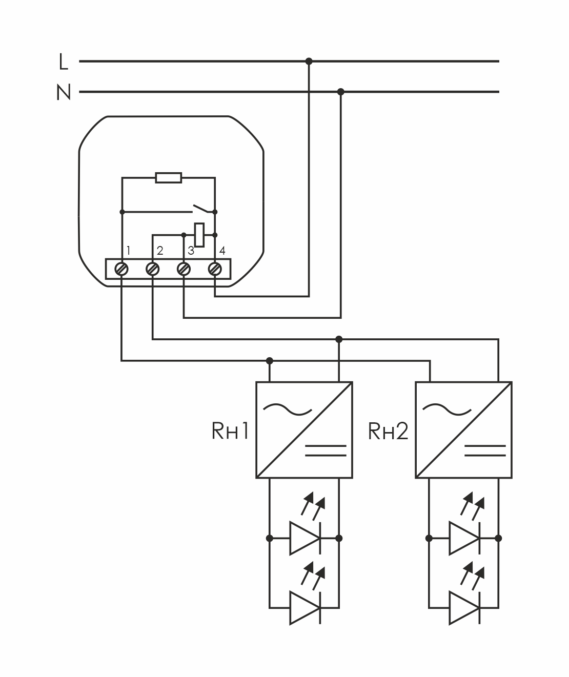
В монтажную коробку. Для защиты контактов выключателей и реле от повреждения при подключении к цепи питания емкостных нагрузок, которые имеют значительные пусковые токи. К таким нагрузкам относятся: импульсные блоки питания, светодиодные лампы, драйверы для светодиодных лент или светодиодных модулей и т.п. При подаче напряжения на модуль контакты встроенного реле разомкнуты. Снижение пускового тока, проходящего через модуль защиты, осуществляется встроенным последовательно включенным резистором. Через фиксированное время (время задержки Тз) контакт реле замыкается и полный объем тока, исключая резистор, подается на нагрузку (R). В дальнейшем модуль защиты контактов на работу нагрузки влияния не оказывает. Особенности: ограничение пускового тока нагрузки до 8 А; максимальная ёмкость нагрузки 3000 мкФ; максимальный ток нагрузки 8 А; напряжение питания 230 В AC; длительность ограничения пускового тока 0,1 с. .

Характеристики

Производитель
СООО «Евроавтоматика ФиФ» Республика Беларусь, 231300, г. Лида, ул. Минская, 18А
Бренд
Евроавтоматика F&F
Вес
1 штука весит 0,068 килограмма.
Страна производства
БЕЛАРУСЬ

    Добавьте свой отзыв

    Меню сайта