PK-1Z-230 Реле электромагнитное EA06.001.047

49.68 BYN / шт.
с учетом НДС 20%
Оформить
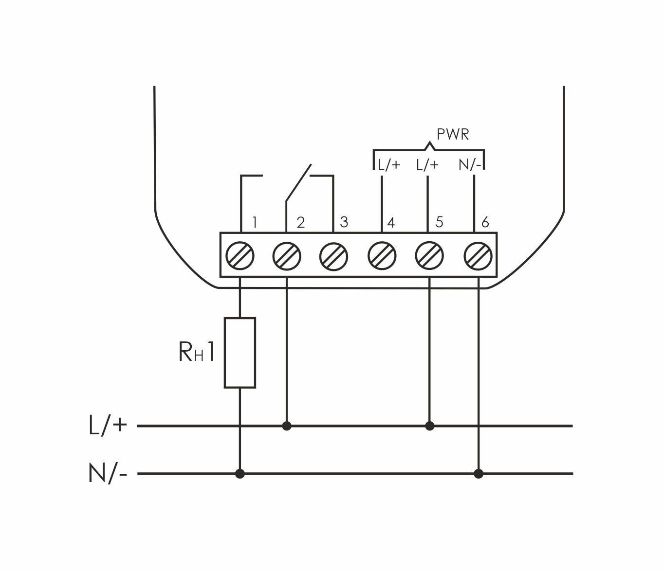
Монтаж в монтажную коробку. Для гальванической развязки между силовыми цепями и цепями управления, дистанционного включения нагрузки путем подачи управляющего напряжения на вход реле, а также использования в качестве промежуточных реле. Переключение контактов реле осуществляется подачей управляющего напряжения на контакты 5-6, при этом на лицевой панели загорается индикатор включения реле. Особенности: напряжение питания - 100...265 В AC/DC; максимальный ток нагрузки - 2x16 А; контакт - 2NO.

Характеристики

Производитель
СООО «Евроавтоматика ФиФ» Республика Беларусь, 231300, г. Лида, ул. Минская, 18А
Бренд
Евроавтоматика F&F
Вес
1 штука весит 0,085 килограмма.
Страна производства
БЕЛАРУСЬ

    Добавьте свой отзыв

    Меню сайта