PO-406 Реле времени программируемое EA02.001.019

8 шт. на складе в Минске
В наличии
48.12 BYN / шт.
с учетом НДС 20%
Оформить
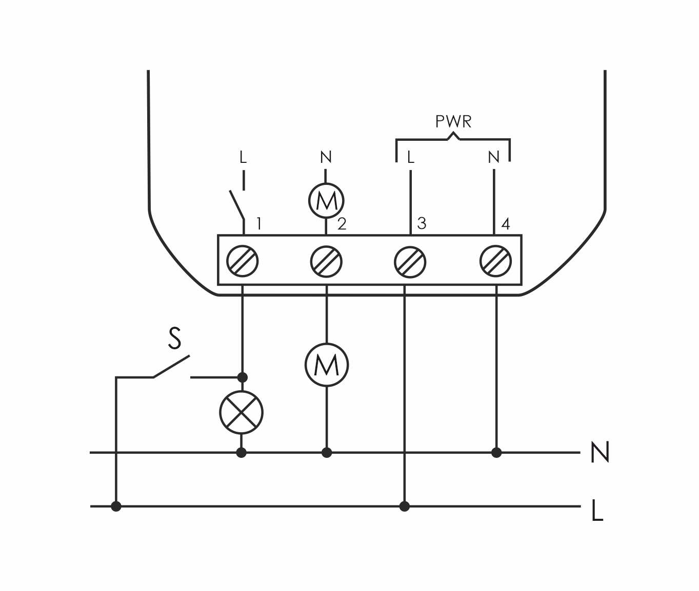
Монтаж на плоскость. Предназначено для поддержания работы устройства после размыкания управляющего контакта в течение установленного отрезка времени. Например, выключателем включаем освещение - вентилятор включится, после выключения освещения вентилятор выключится через установленный отрезок времени. Принцип работы: В результате замыкания управляющего контакта S контакты реле замыкаются. Размыкание управляющего контакта S вызывает отсчет установленного времени, по истечении которого работа реле прекращается. Особенности: вход управления; напряжение питания 230 В AC; задержка отключения 1...15 мин; контакт - 1NO (8 А).

Характеристики

Производитель
СООО «Евроавтоматика ФиФ» Республика Беларусь, 231300, г. Лида, ул. Минская, 18А
Бренд
Евроавтоматика F&F
Вес
1 штука весит 0,033 килограмма.
Страна производства
БЕЛАРУСЬ

    Добавьте свой отзыв

    Меню сайта