PSI-02-230 Реле электромагнитное EA09.001.009

63.3 BYN / шт.
с учетом НДС 20%
Оформить
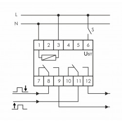
Монтаж на DIN-рейку. Для преобразования непрерывного электрического напряжения в одиночные импульсы, управляющие исполнительными устройствами различных систем автоматики. Реле, после принятия управляющего сигнала на входе Ust (по фронту), генерирует импульс на выходе 12 (контакт 11-12 замыкается на 1 секунду). После снятия управляющего сигнала (по спаду) реле генерирует другой импульс на выходе 9 (контакт 8-9 замыкается на 1 секунду). Применяется в системах автоматики, АВР, «Умный дом» и др. Особенности: напряжение питания - 230 В AC; длительность импульса - 1 с; контакт - 2NO/NC (2x8 A).

Характеристики

Производитель
СООО «Евроавтоматика ФиФ» Республика Беларусь, 231300, г. Лида, ул. Минская, 18А
Бренд
Евроавтоматика F&F
Вес
1 штука весит 0,04 килограмма.
Страна производства
БЕЛАРУСЬ

    Добавьте свой отзыв

    Меню сайта