PZ-831 (без датчиков) Реле контроля уровня EA08.001.011

107.52 BYN / шт.
с учетом НДС 20%
Оформить
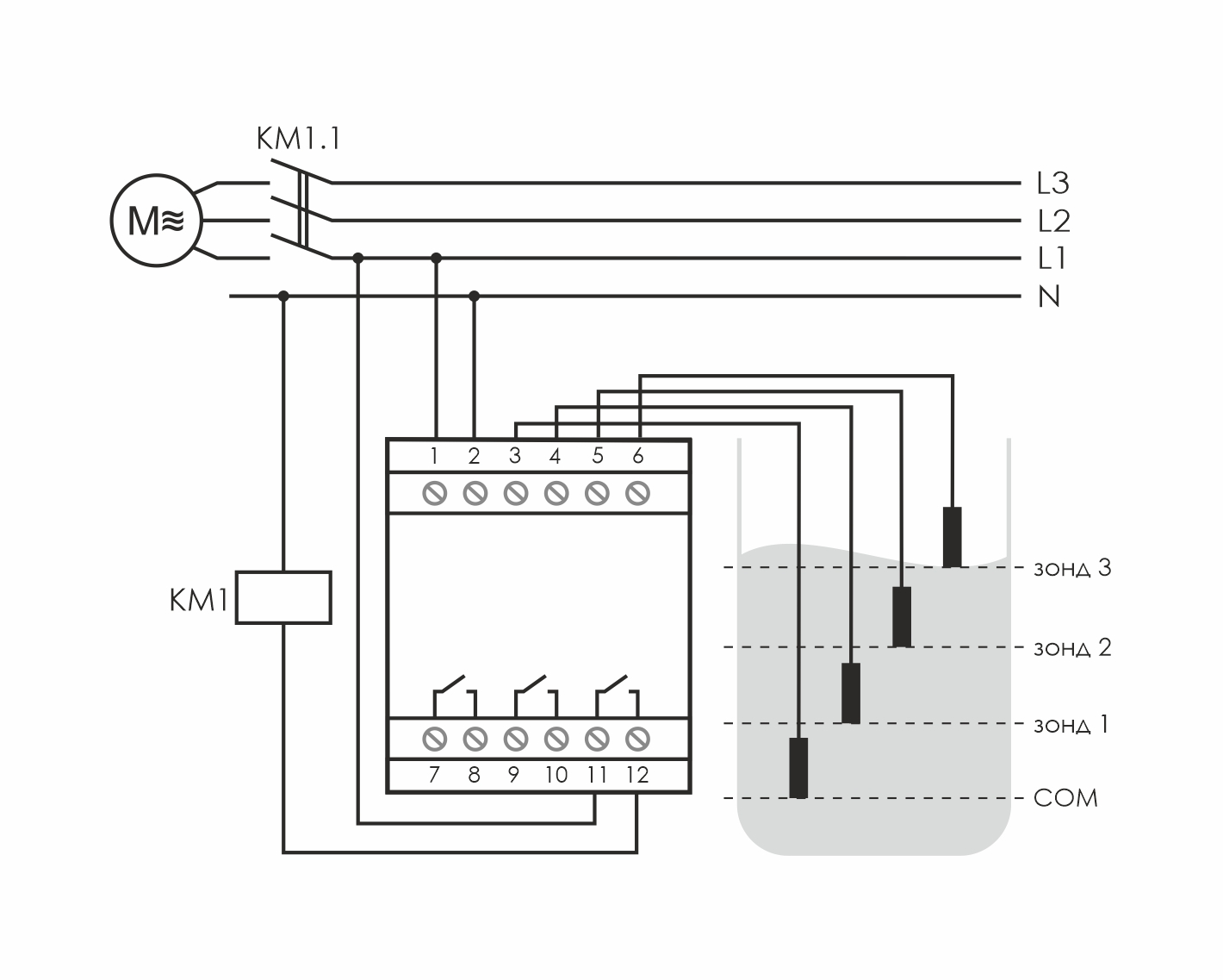
Монтаж на DIN-рейку. Предназначено для контроля и поддержания заданного уровня токопроводящих жидкостей в резервуарах, бассейнах, водонапорных башнях и т.п. и управления электродвигателями насосных установок. При включении питания реле входит в рабочий режим через 2 секунды. Клеммы подключения датчиков гальванически изолированы от цепей питания. В зависимости от жидкости, в которую помещается датчик, изменяется чувствительность входных каскадов автомата. Для нормальной работы, после монтажа, следует отрегулировать чувствительность при помощи регуляторов на лицевой панели («180» - увеличение, «1» - уменьшение). Возможно удлинение провода подключения датчиков до 50 метров. Особенности: максимальный ток нагрузки - 3х8 А; контакты - 3NO.

Характеристики

Производитель
СООО «Евроавтоматика ФиФ» Республика Беларусь, 231300, г. Лида, ул. Минская, 18А
Бренд
Евроавтоматика F&F
Вес
1 штука весит 0,225 килограмма.
Страна производства
БЕЛАРУСЬ

    Добавьте свой отзыв

    Меню сайта