RT-833 Регулятор температуры EA07.001.012

107.22 BYN / шт.
с учетом НДС 20%
Оформить
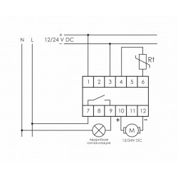
Монтаж на DIN-рейку. Для непосредственного регулирования скорости вращения вентилятора в системе охлаждения шкафа, управление по сигналу выносного датчика температуры. Релейный выход для сигнализации о превышении предельной температуры при неисправности вентилятора или отсутствии питания. Реле управляет скоростью вращения вентиляторов с рабочим напряжением от 12 до 24 В постоянного тока. Температура в шкафу измеряется внешним датчиком. Температура включения вентилятора устанавливается регулятором на лицевой панели. Если температура превысила установленную, вентилятор включается на максимальную скорость. При снижении температуры скорость вращения уменьшается до минимальной (устанавливается потенциометром, 0−80 % от максимальной). RT-833 имеет реле аварийной сигнализации, которое включается при превышении температуры в шкафу на 10 градусов от установленной. Особенности: для управления скоростью вращения вентилятора; выход аварийной сигнализации (1NO контакт 10 А); напряжение питания 12...24 В DC; диапазон регу

Характеристики

Производитель
СООО «Евроавтоматика ФиФ» Республика Беларусь, 231300, г. Лида, ул. Минская, 18А
Бренд
Евроавтоматика F&F
Вес
1 штука весит 0,06 килограмма.
Страна производства
БЕЛАРУСЬ

    Добавьте свой отзыв

    Меню сайта