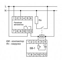
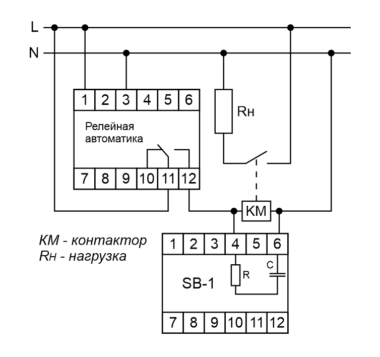
SB-1 Фильтр сетевой помехоподавляющий EA10.001.008

12.9 BYN / шт.
с учетом НДС 20%
Оформить
Монтаж на DIN-рейку. Предназначен для защиты управляющих контактов от коммутационных перенапряжений и продления срока их службы. Снижения интенсивности электромагнитного излучения и повышения помехоустойчивости в работе электронных схем при коммутации индуктивных нагрузок (контакторы, пускатели, соленоиды и т.д.). ФСП (RC-снаббер) может применяться для защиты полупроводниковых приборов (транзисторы, симисторы и др.) от выбросов напряжения за счет снижения скорости нарастания напряжения. ФСП (RC-снаббер) работает при размыкании контактов реле, отключающих индуктивную нагрузку, подавляет возникающие импульсные перенапряжения, тем самым защищая контакты реле от повреждения. Особенности: защита контактов реле от повреждения; увеличение коммутационного ресурса контактов реле; повышение помехоустойчивости в работе электронных схем; защита электрооборудование от импульсных перенапряжений; 1 защитная RC-цепочка; номинальное рабочее напряжение 230 В AC.

Характеристики

Производитель
СООО «Евроавтоматика ФиФ» Республика Беларусь, 231300, г. Лида, ул. Минская, 18А
Бренд
Евроавтоматика F&F
Вес
1 штука весит 0,06 килограмма.
Страна производства
БЕЛАРУСЬ

    Добавьте свой отзыв

    Меню сайта