CKF Реле контроля фаз EA04.002.001

62.94 BYN / шт.
с учетом НДС 20%
Оформить
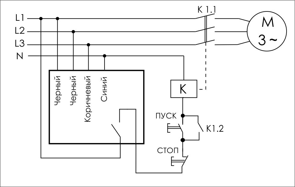
Монтаж на плоскость. Предназначено для защиты электродвигателей и электроустановок, питаемых от трехфазной сети в случаях: отсутствия хотя бы одной из фаз, асимметрии напряжения, нарушении чередования фаз, обрыва нулевого провода. Принцип работы: Если напряжение в пределах нормы, контакты исполнительного реле замкнуты и на контактор управления электродвигателем подается напряжение, управляющее его включением. В случае одной из вышеперечисленных аварийных ситуаций контакты реле размыкаются и контактор отключается. Включение происходит автоматически после восстановления сетевого напряжения питания. Особенности: контроль наличия фаз; контроль асимметрии между фазами; контроль чередования фаз; обрыв нулевого провода; герметичный (IP65); напряжение питания 3x230+N В AC; контакт - 1NO (8 А).

Характеристики

Производитель
СООО «Евроавтоматика ФиФ» Республика Беларусь, 231300, г. Лида, ул. Минская, 18А
Бренд
Евроавтоматика F&F
Вес
1 штука весит 0,097 килограмма.
Страна производства
БЕЛАРУСЬ

    Добавьте свой отзыв

    Меню сайта