CZF-312 Реле контроля фаз EA04.001.007

76.62 BYN / шт.
с учетом НДС 20%
Оформить
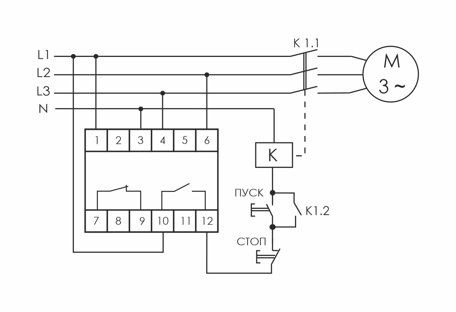
Монтаж на DIN-рейку. Предназначено для защиты электродвигателей и электроустановок, питаемых от трехфазной сети в случаях: отсутствия хотя бы одной из фаз, асимметрии напряжения, снижения напряжения менее 160 В, обрыва нулевого провода. Принцип работы: Если напряжение в пределах нормы, контакты исполнительного реле замкнуты и на контактор управления электродвигателем подается напряжение, управляющее его включением. В случае одной из вышеперечисленных аварийных ситуаций контакты реле размыкаются и контактор отключается. Включение происходит автоматически после восстановления сетевого напряжения питания. Особенности: контроль наличия фаз; контроль асимметрии между фазами; контроль нижнего значения напряжения; обрыв нулевого провода; напряжение питания 3x230+N В AC; контакт - 1NO, 1NC (2x8 А).

Характеристики

Производитель
СООО «Евроавтоматика ФиФ» Республика Беларусь, 231300, г. Лида, ул. Минская, 18А
Бренд
Евроавтоматика F&F
Вес
1 штука весит 0,07 килограмма.
Страна производства
БЕЛАРУСЬ

    Добавьте свой отзыв

    Меню сайта