CLI-02 Счетчик импульсов EA16.001.002

346.08 BYN / шт.
с учетом НДС 20%
Оформить
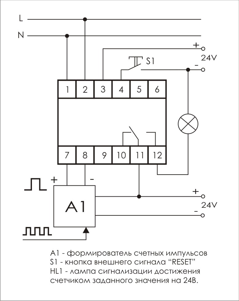
Монтаж на DIN-рейку. Счетчик импульсов предназначен для подсчета сигналов напряжения АC/DC, генерированных через дополнительные, внешние устройства, с целью определения числа выполненных циклов работы в автоматических системах (устройствах), например, для контроля числа ударов пресса, числа оборотов роторного двигателя, количества элементов, сходящих с производственного конвейера и т. п. Принцип работы счетчика зависит от выбранного режима работы. Особенности: вход сброса; обратный (реверсивный) счёт импульсов; перевод количества импульсов в реальные единицы измерения продукции; ввод коэффициента масштабирования; управление нагрузкой с помощью выходных устройств; сохранение результатов счёта при отключении питания; выбор состояния выходного реле при достижении заданного количества импульсов; программирование счётчика с кнопок на лицевой панели прибора; блокировка доступа в меню программирования с помощью PIN-кода; напряжение питания - 24...264 В AC/DC; вход (напряжение низкого уровня, В 0...5 AC/DC, напря

Характеристики

Производитель
СООО «Евроавтоматика ФиФ» Республика Беларусь, 231300, г. Лида, ул. Минская, 18А
Бренд
Евроавтоматика F&F
Вес
1 штука весит 0,162 килограмма.
Страна производства
БЕЛАРУСЬ

    Добавьте свой отзыв

    Меню сайта