CLI-11T 230V Счетчик импульсов EA16.001.003

72.9 BYN / шт.
с учетом НДС 20%
Оформить
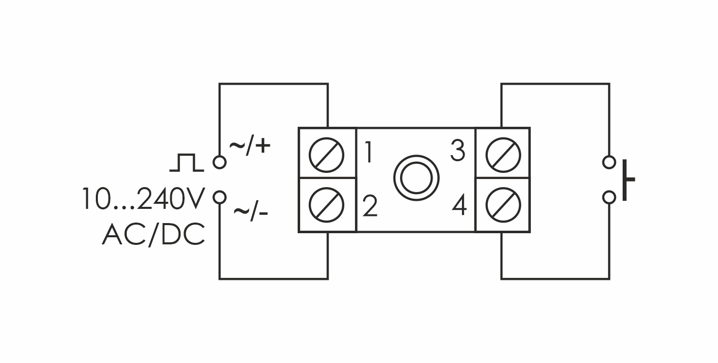
Монтаж в щит. Счетчик импульсов служит для подсчета сигналов напряжения AC/DC, генерируемых с помощью дополнительных внешних устройств с целью определения количества выполненных циклов работы в устройствах автоматики, например, для контроля числа ударов пресса, числа оборотов вращающейся части устройства, числа элементов, сходящих с производственного конвейера и т.д. Счетчик CLI-11T 230V является однонаправленным счетчиком, т.е. позволяет подсчет импульсов в диапазоне от 0 до 999999 (шесть цифр). Имеет управляющий вход RESET позволяющей обнулять состояние счетчика при любом сосчитанном значении. Особенности: питание от встроенной батареи; вход сброса; напряжение питания - 5 В DC; напряжение на счетном входе - 110...240 В AC/DC; диапазон счета времени -0...999999.

Характеристики

Производитель
СООО «Евроавтоматика ФиФ» Республика Беларусь, 231300, г. Лида, ул. Минская, 18А
Бренд
Евроавтоматика F&F
Вес
1 штука весит 0,07 килограмма.
Страна производства
БЕЛАРУСЬ

    Добавьте свой отзыв

    Меню сайта