OM-1 Ограничитель мощности EA03.001.001

202.2 BYN / шт.
с учетом НДС 20%
Оформить
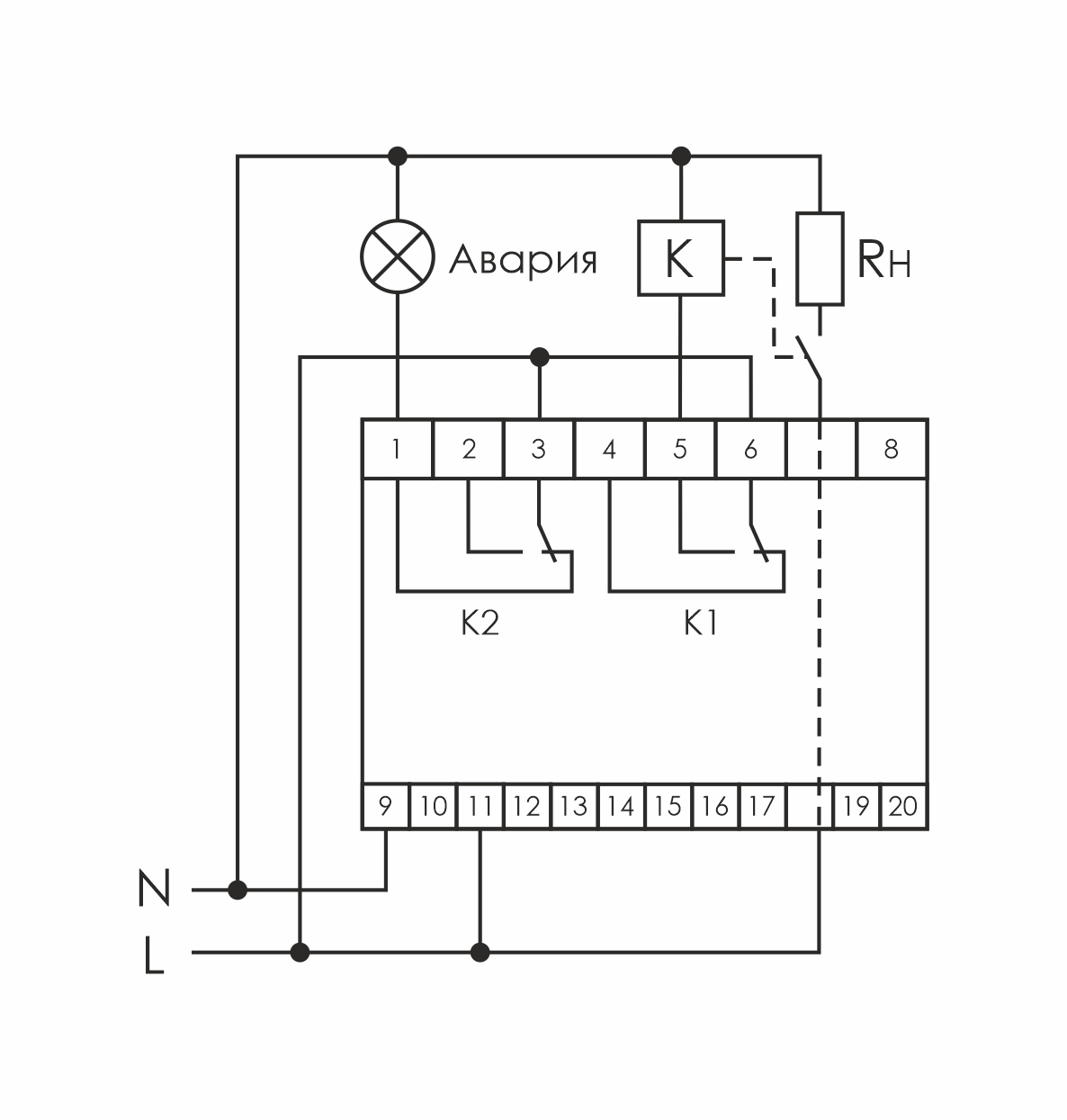
Монтаж на DIN-рейку. Для непрерывного контроля потребляемой от сети питания мощности и отключения нагрузки при превышении ее свыше установленного значения и защиты цепей питания от короткого замыкания. Ограничитель защищает так же потребителей электроэнергии (нагрузку) от перепадов напряжения, возникающих в 1-х фазных сетях. Ограничитель контролирует величину напряжения и величину потребляемого тока нагрузки встроенным трансформатором тока, вычисляет действующее значение потребляемой мощности в фазе и обрабатывает эти значения в соответствии с выбранным алгоритмом работы. При повышении значения мощности свыше установленного значения ОМ-1 отключает нагрузку на время, установленное потребителем. По истечении этого времени она автоматически подключается к сети питания. Особенности: однофазный; многофункциональный; защита от циклической перегрузки; защита от работы при пониженном и повышенном напряжении; выбор режима работы выходных реле К1 и К2; напряжение питания 50...450 В AC; диапазон контролируемой мощност

Характеристики

Производитель
СООО «Евроавтоматика ФиФ» Республика Беларусь, 231300, г. Лида, ул. Минская, 18А
Бренд
Евроавтоматика F&F
Вес
1 штука весит 0,2 килограмма.
Страна производства
БЕЛАРУСЬ

    Добавьте свой отзыв

    Меню сайта