OM-2 Ограничитель мощности EA03.001.005

76.98 BYN / шт.
с учетом НДС 20%
Оформить
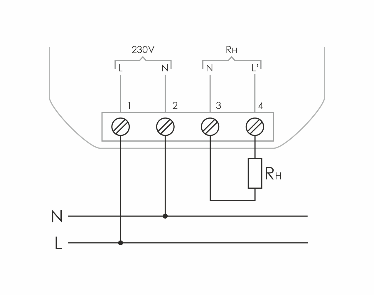
В монтажную коробку. Для контроля потребления мощности в однофазных сетях и отключения питания от потребителя в случае превышения потребления мощности свыше установленного значения, замыкания в цепи нагрузки, повышенного или пониженного напряжения в сети питания. Ограничитель контролирует величину напряжения и величину потребляемого тока нагрузки встроенным трансформатором тока, вычисляет действующее значение потребляемой мощности в фазе и обрабатывает эти значения в соответствии с выбранным алгоритмом работы. При повышении значения мощности свыше установленного значения ОМ-3 отключает нагрузку на время, установленное потребителем. По истечении этого времени она автоматически подключается к сети питания. Особенности: однофазный; защита от работы при пониженном и повышенном напряжении; защита от замыкания в цепи нагрузки; напряжение питания 230 В AC; диапазон контролируемой мощности 20...1000 Вт; контакт - 1NO (10 А).

Характеристики

Производитель
СООО «Евроавтоматика ФиФ» Республика Беларусь, 231300, г. Лида, ул. Минская, 18А
Бренд
Евроавтоматика F&F
Вес
1 штука весит 0,07 килограмма.
Страна производства
БЕЛАРУСЬ

    Добавьте свой отзыв

    Меню сайта