PCG-417 Реле времени программируемое EA02.001.020

110.46 BYN / шт.
с учетом НДС 20%
Оформить
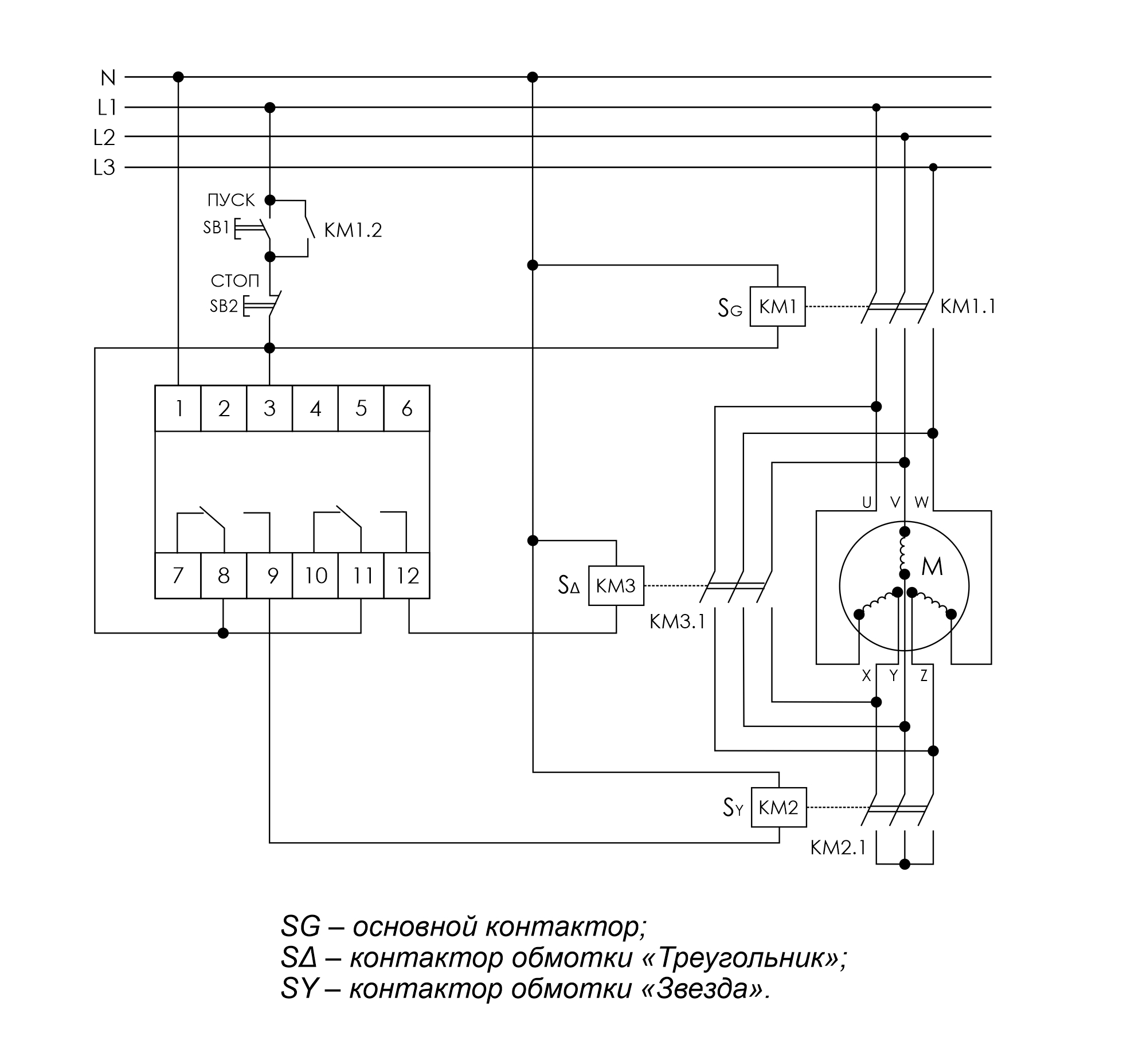
Монтаж на DIN-рейку. Предназначено для управления контакторами, переключающими обмотки электродвигателей со схемы «ЗВЕЗДА» при пуске на схему «ТРЕУГОЛЬНИК» в рабочем режиме. Принцип работы: Реле времени имеет 2 релейных выхода. Каждый управляет отдельным контактором. В момент пуска его первый выход включает контактор Sλ (замыкаются контакты 7-9) и обмотки электродвигателя подключаются по схеме «ЗВЕЗДА», что снижает пусковой ток в несколько раз. По окончании времени выхода двигателя на рабочий режим (время t1) наступает пауза (t2), когда оба контактора выключены, затем включается контактор SΔ (замыкаются контакты 10-12), включающий обмотки по схеме «ТРЕУГОЛЬНИК». Особенности: напряжение питания 230 В AC; 24 В AC/DC; время пуска 1-1000 с; время переключения 75 / 150 мс; контакт - 2NO/NC (2х8 А).

Характеристики

Производитель
СООО «Евроавтоматика ФиФ» Республика Беларусь, 231300, г. Лида, ул. Минская, 18А
Бренд
Евроавтоматика F&F
Вес
1 штука весит 0,074 килограмма.
Страна производства
БЕЛАРУСЬ

    Добавьте свой отзыв

    Меню сайта