RKI Реле контроля изоляции EA05.003.001

65.46 BYN / шт.
с учетом НДС 20%
Оформить
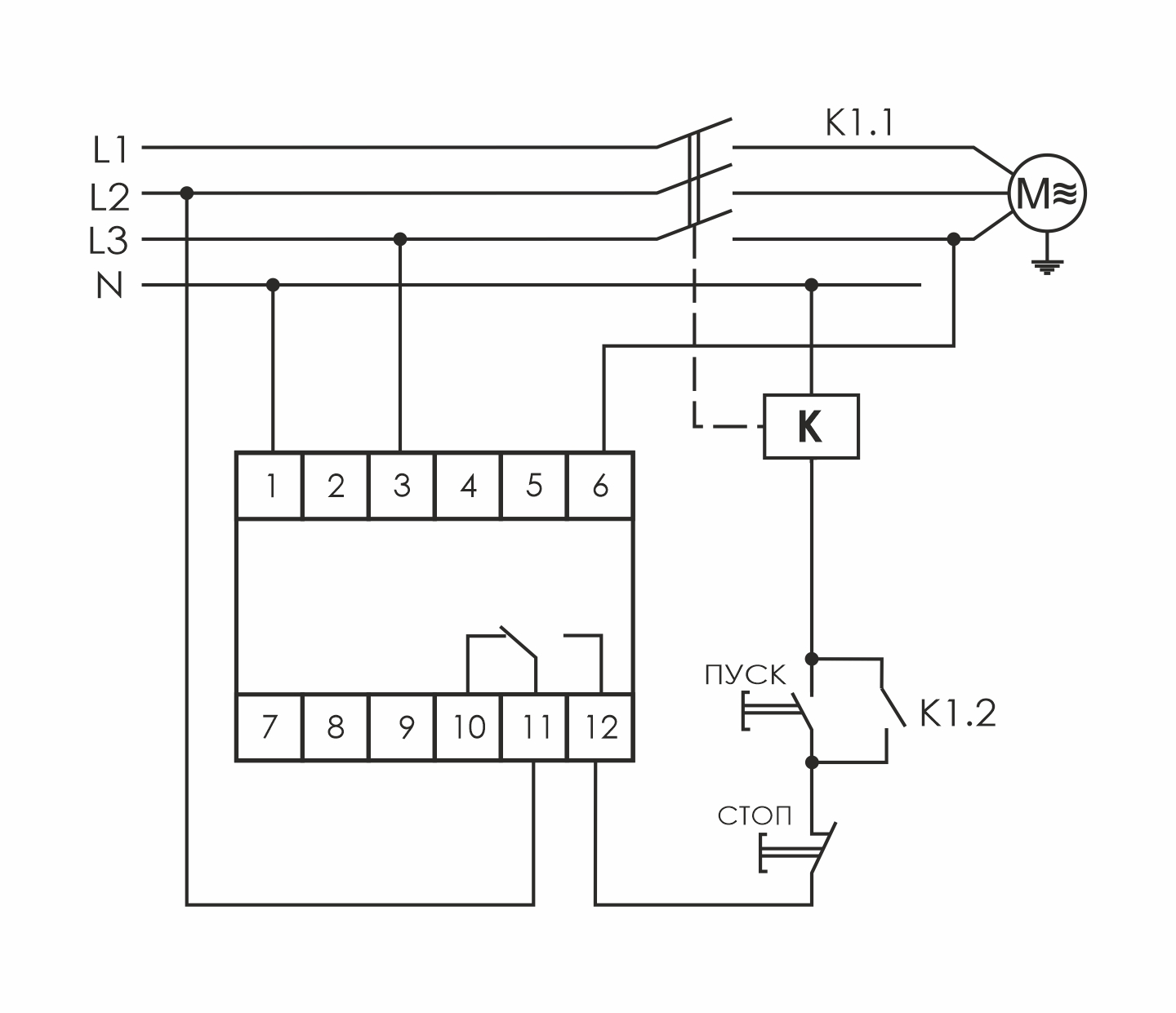
Монтаж на DIN-рейку. Предназначено для контроля сопротивления изоляции электродвигателе й, трансформаторов и т.п. в одно и трехфазных сетях переменного тока. Принцип работы: Реле контролирует предпусковое состояние сопротивления изоляции электрооборудования по параметрам, заданным при помощи регулируемого потенциометра, диапазон контроля от 0,5...1 МОм. Если параметры изоляции в норме, контакты 11-12 реле контроля изоляции замкнуты, включение электрооборудования разрешено. При нарушении сопротивления изоляции ниже контролируемого значения, на лицевой панели загорается красный светодиод, обозначение R<, контакты реле размыкаются в положение 10-11, блокируется включение электрооборудования. Особенности: диапазон контроля сопротивления изоляции 0,5…1 мОм; гальваническая развязка между исполнительными реле (сухой контакт) и цепью питания; напряжение питания 230 В AC; контакт - 1NO/NC (16 А).

Характеристики

Производитель
СООО «Евроавтоматика ФиФ» Республика Беларусь, 231300, г. Лида, ул. Минская, 18А
Бренд
Евроавтоматика F&F
Вес
1 штука весит 0,06 килограмма.
Страна производства
БЕЛАРУСЬ

    Добавьте свой отзыв

    Меню сайта