SCO-803 Регулятор освещенности EA01.006.002

58.56 BYN / шт.
с учетом НДС 20%
Оформить
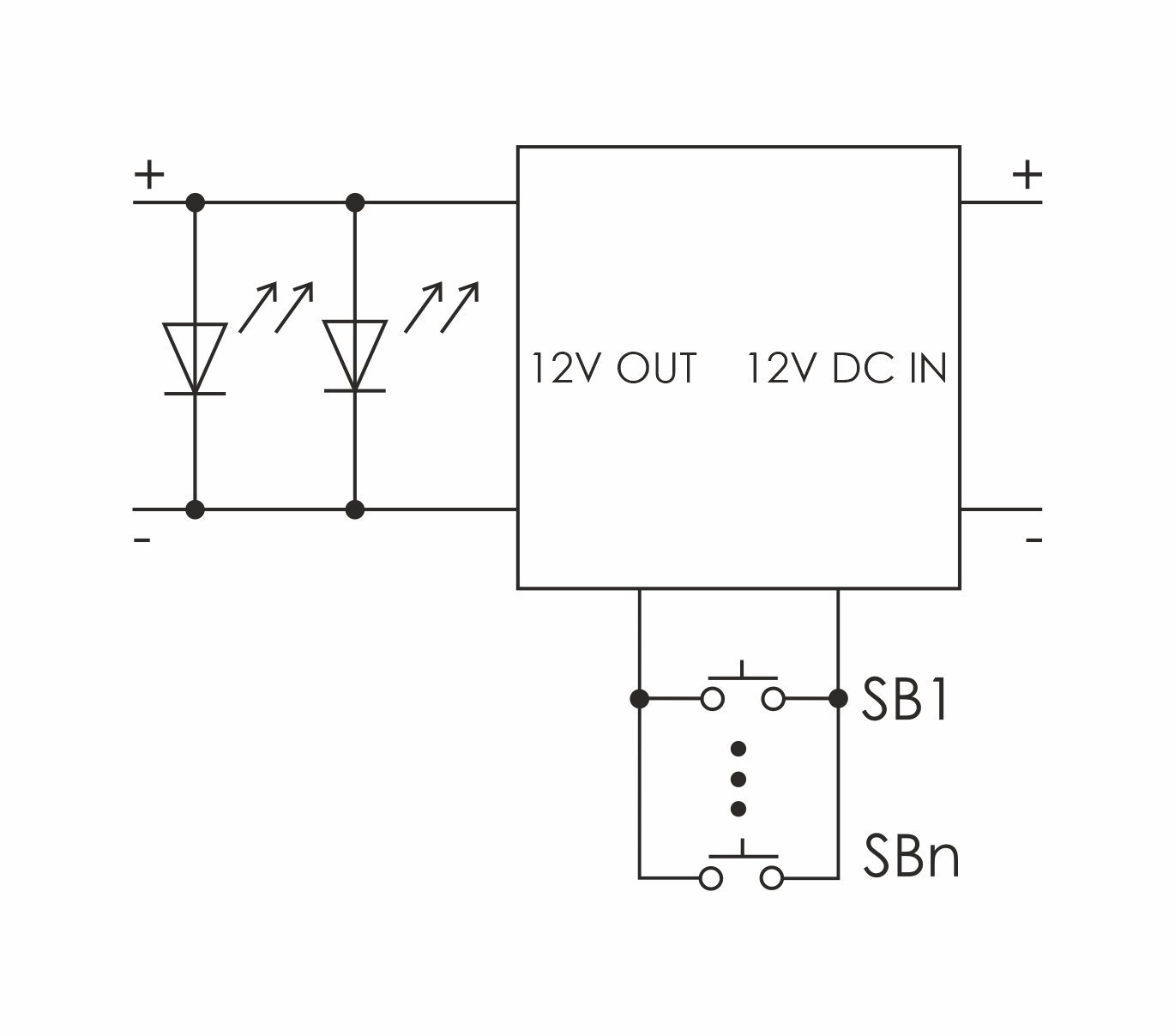
В монтажную коробку. Для включения и выключения светодиодов 12В, с возможностью регулировки интенсивности свечения при помощи любого возвратного выключателя (звонкового типа). При нажатии на кнопочный выключатель регулятор увеличивает или уменьшает уровень освещённости. При отпускании кнопки уровень освещённости сохраняется. Кратковременное нажатие — включение (отключение) освещения. Особенности: для светодиодов и светодиодных лент напряжением 12 В DC; функция памяти установленного уровня освещённости; напряжение питания 12 В DC; максимальная мощность ламп 36 Вт.

Характеристики

Производитель
СООО «Евроавтоматика ФиФ» Республика Беларусь, 231300, г. Лида, ул. Минская, 18А
Бренд
Евроавтоматика F&F
Вес
1 штука весит 0,025 килограмма.
Страна производства
БЕЛАРУСЬ

    Добавьте свой отзыв

    Меню сайта