ST25-20-M Контактор электромагнитный EA13.001.031

86.64 BYN / шт.
с учетом НДС 20%
Оформить
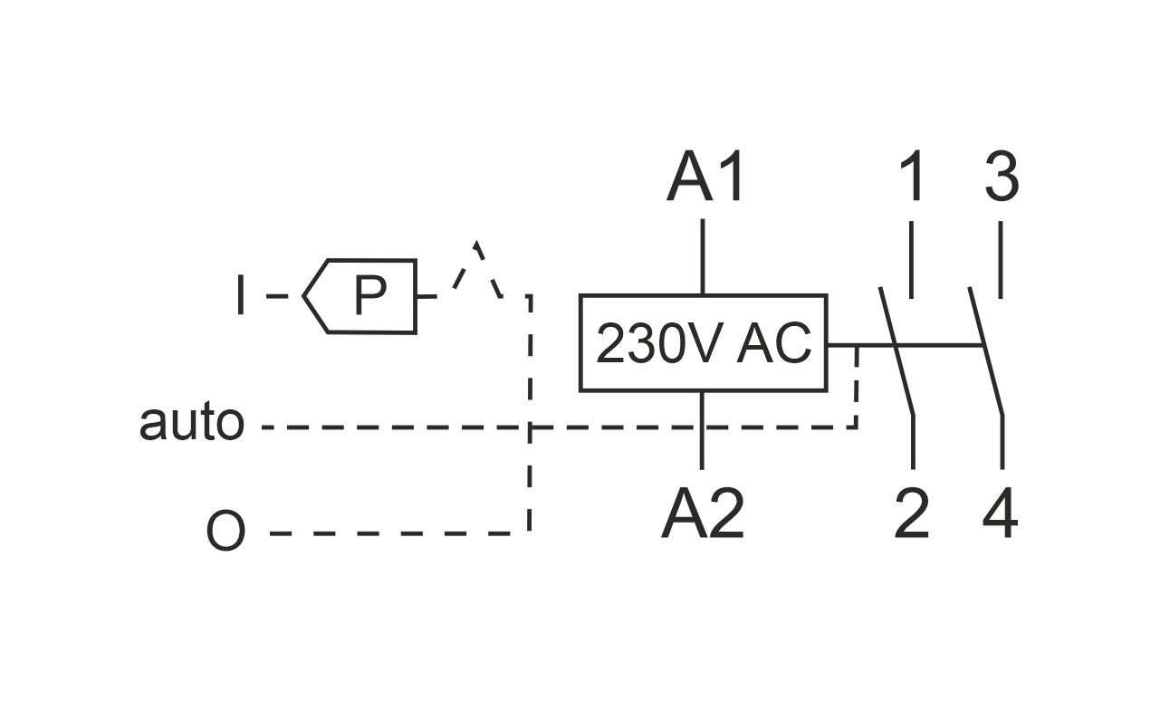
Монтаж на DIN-рейку. Предназначены для коммутации электрических цепей повышенной мощности. Наличие переключателя на лицевой панели позволяет вручную управлять контактами контактора (независимо от наличия напряжения питания на катушке). Принцип работы контактора зависит от положения переключателя режима работы: Положение «I» При отсутствии напряжения питания на катушке контакты контактора замкнуты. Подача напряжения питания на катушку автоматически переводит переключатель в положение "auto" и контактор работает в автоматическом режиме. Чтобы зафиксировать контакты в замкнутом состоянии независимо от наличия напряжения питания контактора необходимо в положении „I” переместить желтый рычаг блокировки влево. Рабочее состояние контактора сигнализируется поднятым красным флажком на лицевой панели. Положение «auto» Подача напряжения питания на катушку контактора приводит к замыканию контактов. После отключения напряжения питания контакты возвращаются в своё первоначальное положение. Положение «О» Контакты

Характеристики

Производитель
СООО «Евроавтоматика ФиФ» Республика Беларусь, 231300, г. Лида, ул. Минская, 18А
Бренд
Евроавтоматика F&F
Вес
1 штука весит 0,106 килограмма.
Страна производства
БЕЛАРУСЬ

    Добавьте свой отзыв

    Меню сайта