ST25-40 Контактор электромагнитный EA13.001.003

96.9 BYN / шт.
с учетом НДС 20%
Оформить
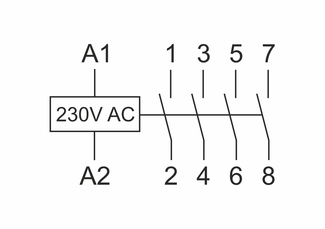
Монтаж на DIN-рейку. Предназначены для частого дистанционного включение и выключение электрических цепей повышенной мощности при нормальных условиях работы. Подача напряжения питания на катушку контактора приводит к переключению контактов. Рабочее состояние контактора сигнализируется поднятым красным флажком на лицевой панели. После отключения напряжения питания, контакты возвращаются в своё первоначальное положение. Особенности: максимальный ток нагрузки - 25 А; контакты - 4NO.

Характеристики

Производитель
СООО «Евроавтоматика ФиФ» Республика Беларусь, 231300, г. Лида, ул. Минская, 18А
Бренд
Евроавтоматика F&F
Вес
1 штука весит 0,168 килограмма.
Страна производства
БЕЛАРУСЬ

    Добавьте свой отзыв

    Меню сайта