AVR-02-G Устройство управления резервным питанием EA04.006.005

448.14 BYN / шт.
с учетом НДС 20%
Оформить
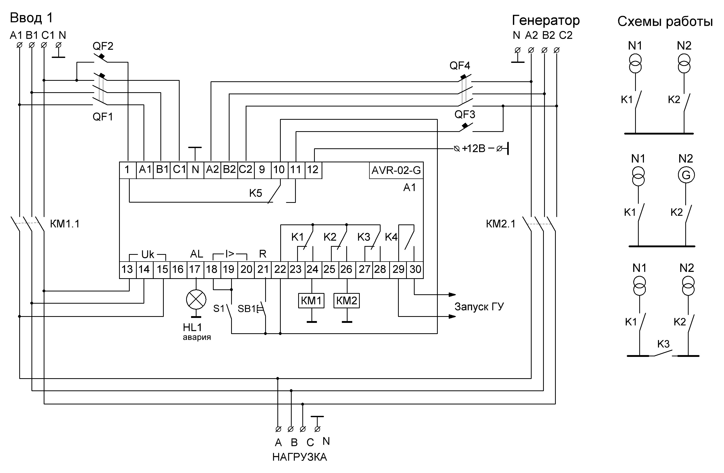
Монтаж на DIN-рейку. Предназначено для для работы в составе блоков (шкафов) управления автоматическим включением источников резервного питания (АВР) для бесперебойного электроснабжения потребителей электроэнергии. Применяется для построения систем ввода резервного питания. Устройство управления AVR-02-G контролирует напряжение на основном вводе трехфазной сети переменного тока. Если напряжение в пределах нормы, нагрузка подключается к вводу с помощью внешнего силового аппарата (контактора, автоматического выключателя с моторным приводом и т.п.), которым управляет исполнительное реле AVR-02-G. При аварии основного ввода нагрузка переключается на резервный. При восстановлении питания на основном вводе нагрузка переключается на него. Изделие имеет входы контроля положения и входы контроля - аварийных контактов силового аппарата. По ним определяется его состояние, не допускается “встречное” включение вводов и подключение исправного ввода на аварийную линию питания нагрузки. Допустимые пределы напряжения и

Характеристики

Производитель
СООО «Евроавтоматика ФиФ» Республика Беларусь, 231300, г. Лида, ул. Минская, 18А
Бренд
Евроавтоматика F&F
Вес
1 штука весит 0,33 килограмма.
Страна производства
БЕЛАРУСЬ

    Добавьте свой отзыв

    Меню сайта