CP-730 Реле контроля напряжения EA04.009.004

138.06 BYN / шт.
с учетом НДС 20%
Оформить

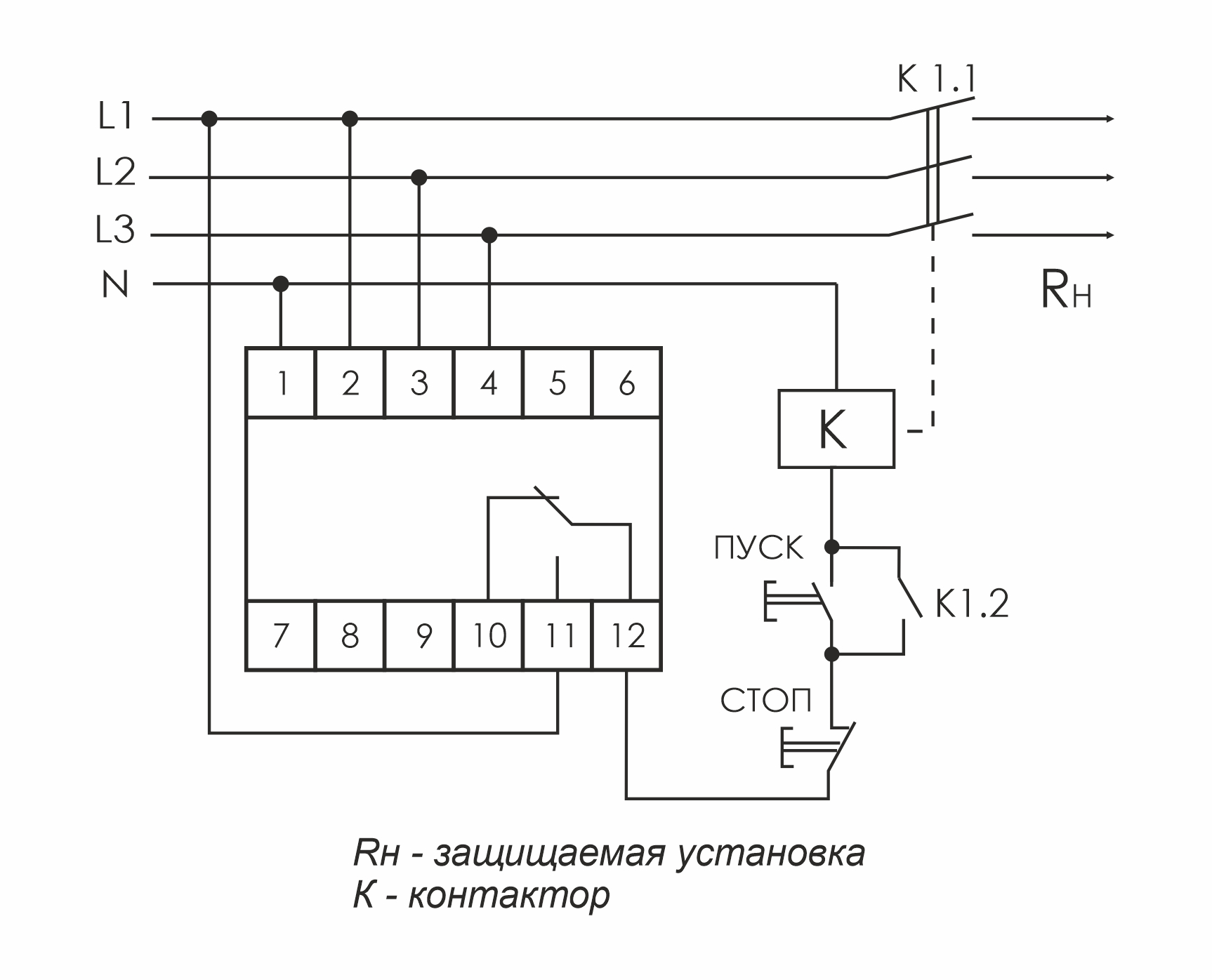
CP-730 Реле контроля напряжения EA04.009.004 - предназначено для защиты электроустановок, электроприборов и прочего электронного оборудования от повышенного или пониженного напряжения, регистрации предельных значений напряжения, а также типа произошедшей аварии, контроля величины напряжения в питающей однофазной сети переменного тока.

  • Защита осуществляется путем отключения нагрузки от сети питания.
  • Верхний предел 230-290 В, нижний предел 150-210 В, контакт 1NO/NC, 16 А.

Принцип работы:

  • Реле измеряет напряжение в сети и при выходе его за установленные пределы отключает защищаемое оборудование от сети электропитания.
  • Верхний и нижний пределы напряжения устанавливаются потребителем.
  • При обрыве нулевого провода происходит отключение нагрузки от питающей сети.

Область применения:

  • Защита трехфазных сетей.
  • Для защиты бытовой техники и приборов от перепадов напряжения в квартирах и жилых домах.
  • В общественных организациях, кинотеатрах, компьютерных залах, супермаркетах, школах, больницах, чтобы защитить дорогостоящее электроприборы от неисправностей.
Nomenclature article EA04.009.004
ETIM code EC001438
Напряжение питания, В 3x(150-450) AC
Максимальный коммутируемый ток, А (AC-1) 16
Максимальная мощность нагрузки См. табл.1 в РЭ
Контакт 1 NO/NC
Диапазон уставок напряжений, В:  
-нижний порог 150…210
-верхний порог 230…290
Погрешность измерений, не более % 3
Hysteresis, V 5
Задержка отключения, с:*  
-нижний порог, асимметрия 0,5…10
-верхний порог 0,1
Время повторного включения, с 2
Power consumption, W 1,75
Диапазон рабочих температур, °С -25…+50
Степень защиты от проникновения IP20
Коммутационная износостойкость, циклов >100000
Степень загрязнения окружающей среды 2
Категория перенапряжения III
Размеры, mm 52,5х90х60
Соединительные винтовые зажимы 2,5 мм2
Момент затяжки винтового соединения, Nm 0,4
Body type 3S
Масса, кг 0,112
Монтаж DIN-рейка 35 мм

* В случаях понижения напряжения ниже 100 В реле отключается за время 0,3 с, при превышении напряжения свыше 300 В реле отключается за время 0,1 с.

Характеристики

Производитель
СООО «Евроавтоматика ФиФ» Республика Беларусь, 231300, г. Лида, ул. Минская, 18А
Бренд
Евроавтоматика F&F
Вес
1 штука весит 0,112 килограмма.
Тип товара
Реле напряжения
Тип монтажа
на Din-рейку
Количество фаз
3
Напряжение питания, В
3x(150-450) AC
Индикация напряжения
4 светодиода
Контакт
1 NO/NC
Максимальный коммутируемый ток, А
32
Страна производства
БЕЛАРУСЬ

    Добавьте свой отзыв

    Меню сайта