CP-733 Реле контроля напряжения EA04.009.006

183.36 BYN / шт.
с учетом НДС 20%
Оформить

CP-733 Реле контроля напряжения EA04.009.006 - для непрерывного контроля величины напряжения и защиты электро-оборудования или выдачи сигнала управления в схему сигнализации при выходе значения напряжения за установленные пределы.
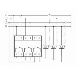
Нижний предел 150-210 В, Верхний предел 240-270 В, отдельный контакт на каждую фазу контакт 3NC, 3х16 А.

Назначение:

  • Для непрерывного контроля величины напряжения и защиты электро-оборудования или выдачи сигнала управления в схему сигнализации при выходе значения напряжения за установленные пределы.

Принцип работы:

  • При установке потенциометра в положение «OFF» отключение реле по соответствующему порогу производится не будет. Реле имеет 3 независимых выхода для каждой фазы.

Область применения:

  • Применяется в схемах автоматизации, управления, сигнализации в вводных и распределительных щитах. Использование в сферах, где необходима защита однофазных и/или трехфазных нагрузок от повышенного/пониженного напряжения питания.
Nomenclature article EA04.009.006
ETIM code EC001438
Напряжение питания, В 3х(50…450)+N
Максимальный коммутируемый ток, А 3х16 АС-1/250 В АС
Максимальная мощность нагрузки cм. табл.1 в РЭ
Контакт 3NC
Индикация 4 светодиода
Диапазон уставок напряжений, В:  
-нижний порог 150...210
-верхний порог 240…270
Задержка отключения, с:*  
-нижний порог 1...15
-верхний порог 0,3
Время повторного включения, с 1,5
Hysteresis, V 5
Потребляемая мощность, Вт 1,5
Диапазон рабочих температур, °С -25…+50
Степень защиты от проникновения IP20
Коммутационная износостойкость, циклов >100000
Степень загрязнения окружающей среды 2
Категория перенапряжения III
Размеры, mm 52х90х65
Соединительные винтовые зажимы 2,5 мм2
Момент затяжки винтового соединени, Nm 0,5
Body type 3S
Монтаж DIN-рейка 35 мм
* В случаях понижения напряжения ниже 100 В реле отключается за время 0,3 с, при превышении напряжения свыше 300 В реле отключается за время 0,1 с.

Характеристики

Производитель
СООО «Евроавтоматика ФиФ» Республика Беларусь, 231300, г. Лида, ул. Минская, 18А
Бренд
Евроавтоматика F&F
Вес
1 штука весит 0,155 килограмма.
Тип товара
Реле напряжения
Тип монтажа
на Din-рейку
Количество фаз
1.3
Напряжение питания, В
3х(50-450)+N
Индикация напряжения
4 светодиода
Контакт
3 NC
Максимальный коммутируемый ток, А
16
Страна производства
БЕЛАРУСЬ

    Добавьте свой отзыв

    Меню сайта