SCO-813 Регулятор освещенности EA01.006.010

114.9 BYN / шт.
с учетом НДС 20%
Оформить
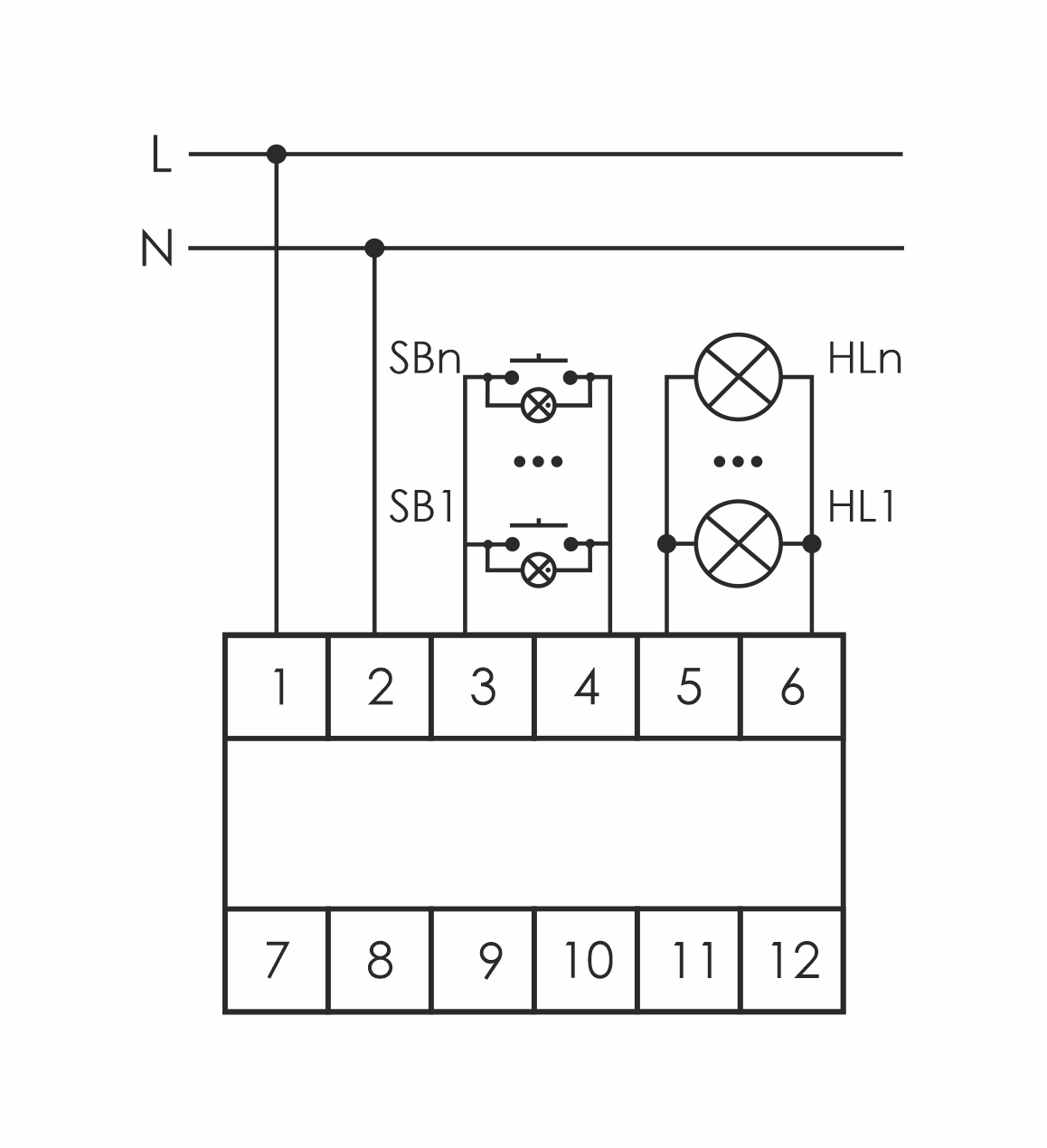
Монтаж на DIN-рейку. Для включения и выключения ламп накаливания и галогенных ламп с возможностью регулировки уровня освещённости при помощи кнопочного выключателя. При нажатии на кнопочный выключатель регулятор увеличивает или уменьшает уровень освещённости. При отпускании кнопки выбранный уровень яркости не сохраняется в памяти регулятора освещенности. Кратковременное нажатие — включение (отключение) освещения. Особенности: для ламп накаливания и галогенных ламп; нет функции памяти установленного уровня яркости свечения источника света;встроенный предохранитель на 5 А; напряжение питания 230 В AC; максимальная мощность ламп 1000 Вт.

Характеристики

Производитель
СООО «Евроавтоматика ФиФ» Республика Беларусь, 231300, г. Лида, ул. Минская, 18А
Бренд
Евроавтоматика F&F
Вес
1 штука весит 0,13 килограмма.
Страна производства
БЕЛАРУСЬ

    Добавьте свой отзыв

    Меню сайта