SCO-816A Регулятор освещенности EA01.006.012

Цена по запросу

SCO-816A Регулятор освещенности EA01.006.012 — предназначен для всех типов ламп. Максимальная мощность 3500 Вт. С аналоговым входом 0-10В.

Назначение:

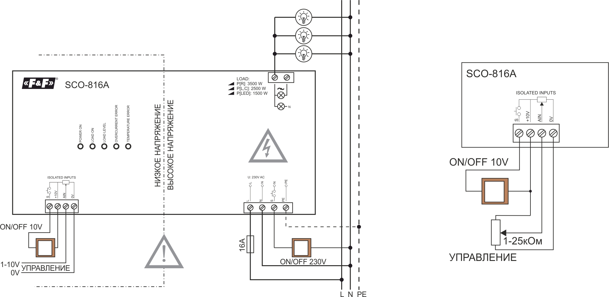
Универсальный диммер SCO-816 предназначен для регулирования уровня освещенности диммируемых источников света высокой мощности, функционирующих под напряжением 230VAC.

Предназначен для работы с:

  • лампами накаливания и галогеновыми лампами (резистивная нагрузка);
  • лампами, работающими от тороидального или электронного трансформатора (индуктивная или емкостная нагрузка);
  • LED лампами.

Включение и отключение освещения происходит при помощи моностабильных кнопок, подключенных к входам управления ON/OFF (ВКЛ/ВЫКЛ). Уровень освещенности устанавливается при помощи аналогового сигнала 1-10 в или с помощью потенциометра, подключенного к диммеру.

Диммер имеет 4 модификации:

  • SCO-816 – базовая версия,
  • SCO-816A – с аналоговым входом 0-10В,
  • SCO-816M – с протоколом Modbus RTU,
  • SCO-816D – с протоколом DALI.

Область применения:

Основная область применения диммера заключается в регулировании яркости ламп, а также регулирования температур в различных нагревателях резисторного типа.

Принцип работы:

Включение и отключение освещения происходит после короткого нажатия кнопки, подключенной ко входу правления ON/OFF (ВКЛ/ВЫКЛ) S. Уровень яркости изменяется длительным нажатием кнопки. Одно длительное нажатие изменяет уровень освещенности до достижения максимального значения, другое длительное нажатие изменяет уровень освещенности пока не будет достигнуто минимальное значение. Включение света путем кратковременного нажатия кнопки восстанавливает ранее установленный уровень яркости.

Память состояния сохраняется до тех пор, пока питание не будет отключено. После повторного включения питания уровень яркости выходит на значение 100%. При автоматическом изменении сигналом 1-10В уровень освещения будет зависеть от значения напряжения, переданного на аналоговый вход AIN.

Особенности:

  • функцией плавного включения и отключения освещения (Soft Start);
  • термической защитой;
  • контролем перегрузки по току;
  • встроенным предохранителем на 20A;
  • возможностью подключения кнопки ON/OFF (ВКЛ/ВЫКЛ),
  • управляемой сетевым напряжением 230В AC или постоянным напряжением DC

Технические характеристики:

Артикул EA01.006.012
Код ETIM EC000025
Напряжение питания, В 230 АС
Максимальный коммутируемый ток, А (AC-1) 16
Мощность нагрузки, Вт  
- резистивная 3600
- емкостная, индуктивная 2500
- LED 1500
Потребляемая мощность <5 Вт
Напряжение входа управления 230 В AC / 9-12DC
Напряжение управления 1-10 В DC
Задержка диммирования от 0 до 100% 1 с
Задержка диммирования от 100 до 0% 1 с
Предельный ток 16 А
Ограничение по току 20 А
Плавкая вставка (предохранитель 6,3х32мм)
Максимальная температура внутри корпуса 65 °С
Температура подключения вентилятора 45 °С
Диапазон рабочих температур от -0 до +40°С
Степень защиты IP20
Коммутационная износостойкость 100000 циклов
Степень загрязнения среды 2
Категория перенапряжения III
Габариты (ШхВхГ), мм  
- без монтажного крепления 190х90х93
- с монтажным креплением 230х90х93
Подключение:  
- силовые цепи винтовые зажимы 4 мм²
- цепи управления винтовые зажимы 2,5 мм²
Монтаж на плоскость

Характеристики

Производитель
СООО «Евроавтоматика ФиФ» Республика Беларусь, 231300, г. Лида, ул. Минская, 18А
Бренд
Евроавтоматика F&F
Вес
1 штука весит 0,47 килограмма.
Страна производства
БЕЛАРУСЬ

    Добавьте свой отзыв

    Меню сайта