CP-731 Реле контроля напряжения EA04.009.005

182.28 BYN / шт.
с учетом НДС 20%
Оформить

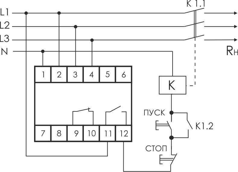
CP-731 Реле контроля напряжения EA04.009.005 - для непрерывного контроля величины напряжения в трехфазной сети переменного тока и защиты электроустановок, электроприборов и прочего электронного оборудования от повышенного или пониженного напряжения, от обрыва нулевого провода.

  • Защита осуществляется путем отключения нагрузки от сети питания.
  • Верхний предел 230-290 В, нижний предел 150-210 В, контроль асимметрии, чередования, слипания фаз, контакт 1NO, 1NC, 8 А.

Обращаем ваше внимание, что CP-731, произведенные позднее 20.08.2018 имеют дополнительные функциональные возможности:

  • добавлена варисторная защита;
  • расширен диапазон контролируемых значений верхнего  порога напряжения.

Принцип работы:

  • Верхний и нижний пределы напряжения устанавливает потребитель с помощью потенциометров на панели управления. Реле измеряет напряжение в сети и при выходе напряжения за установленные пределы или обрыве нулевого провода реле отключает защищаемое оборудование. После восстановления сетевого напряжения реле включается автоматически.

Область применения:

  • Использование в сферах, где необходима защита однофазных и/или трехфазных нагрузок от повышенного/пониженного напряжения питания. Для монтажа в вводных щитах.
Nomenclature article EA04.009.005
ETIM code EC001438
Напряжение питания, В 3x(150-450) AC
Максимальный коммутируемый ток, А (AC-1) 2x8
Максимальная мощность нагрузки cм. табл.1 в РЭ
Контакт 1NO, 1NC
Индикация 4 светодиода
Диапазон уставок напряжений, В:  
-нижний порог 150…210
-верхний порог 230…290
Задержка отключения, с:*  
-нижний порог 5
-верхний порог 0,1
Reclosing time 2 c…10 минут
Hysteresis, V 5
Power consumption, W 1,75
Диапазон рабочих температур, °С -25…+50
Степень защиты от проникновения IP20
Коммутационная износостойкость, циклов >105
Степень загрязнения окружающей среды 2
Категория перенапряжения III
Размеры, mm 52х90х65
Соединительные винтовые зажимы 2,5 мм2
Момент затяжки винтового соединения, Nm 0,5
Body type 3S
Монтаж DIN-рейка 35мм

* В случаях понижения напряжения ниже 100 В реле отключается за время 0,3 с, при превышении напряжения свыше 300 В реле отключается за время 0,1 с.

Характеристики

Производитель
СООО «Евроавтоматика ФиФ» Республика Беларусь, 231300, г. Лида, ул. Минская, 18А
Бренд
Евроавтоматика F&F
Вес
1 штука весит 0,13 килограмма.
Тип товара
Реле напряжения
Тип монтажа
на Din-рейку
Количество фаз
3
Напряжение питания, В
3x(150-450) AC
Индикация напряжения
4 светодиода
Контакт
1 NO/NC
Максимальный коммутируемый ток, А
8
Страна производства
БЕЛАРУСЬ

    Добавьте свой отзыв

    Меню сайта